HLGの製作
(Jan. 2026)
|
久しぶりにフリーのハンドランチグライダーを 3 機作ってみました。目的は、孫と遊ぶためです。 |

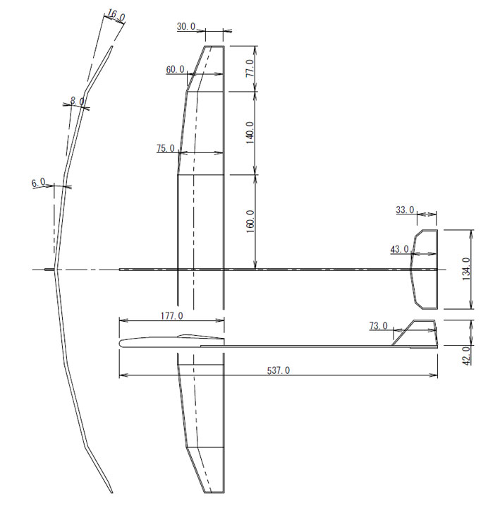
HLG FREE 1

|
主翼は、5mm C カットバルサを使用します。周囲には、2x2 ヒノキを瞬間接着剤で貼ります。 |

|
胴体は、3mm キリ板に 3mm カーボンパイプを接着して使用します。 |



|
尾翼は、2mm C カットバルサを使用します。周囲には、2x2 ヒノキを瞬間接着剤で貼ります。 |

|
翼にマスキングテープを貼り、サンディングの目安とします。 |



|
翼をエポキシ接着剤で組立てます。 |


















|
2機目から、尾翼の接着ジグを使い始めました。 |






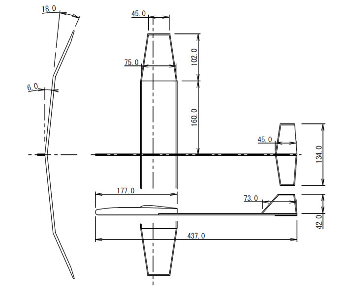
HLG FREE 3

|
2機作った後、残材がもったいないので、3機目を作りました。 |








クリヤーラッカーの仕上げとバラスト搭載は、後日行う予定です。
Last Update